Tutorial 5: Complete the Op Amp IC

In this Tutorial, we will put 3 Op Amps and 3 inverters into your padframe.

Let's finalize the Op Amp design first.

5.1 Understand the Op Amp Circuit.

Video 1: Watch the following video to understand the operation of the Op Amp.
(
PDF notes)



All the DC operating points are set up when the off-chip resistor is around 200k. The open loop gain can be simulated use the following circuit and Spice code:




The results can be presented like the following:



The second diagraph shows the open loop gain is around -400.

However, if the CMOS transistors are not biased in the saturation region, the gain will decrease and the Op Amp cannot work correctly. I changed the resistor to 10k, you will see the drop of the grain:




(This part is not required for ENGR 337 students)----->>
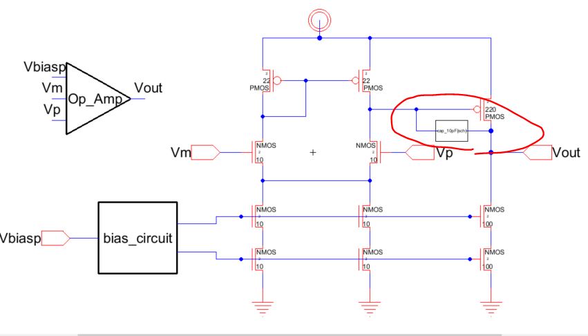
Now let's add a capacitor from the output of the second stage to the output of the differential pair to improve the stability of the Op Amp. Here is a new concept - Phase Margin. In frequency response of the Op Amp, when the gain of the Op Amp is 0 dB, the phase difference from this point to -180 degree is the Phase margin. 90 degree of phase margin is usually ideal (CMOS Book Chapter 24). However, if we don't add the 10 pF capacitor, the phase margin is around 40 degree (not that stable): (note that the 100 MEG resistor is used to conduct the DC bias but blcok any AC component and the 10 uF capacitor is used to remove any AC noise).








When we have the 10 pF 'compensating capacitor' added, the phase margin is pretty close to 90 degree!







<<------- (This part is not required for ENGR 337 students)


5.2 Layout the Biasing Circuit and the Op Amp

Video 2: Layout the Biasing Circuit:



Video 3: Layout an Op Amp:



Make the schematic and icon view for the bias_circuit:




Make the layout view of the bias_circuit. Note that the PMOS and nWell should be covered in the region of a Pure N-Well-Node (Components - Pure - N-Well-Node).



The size of N-Well-Node can be re-sized using the 'special click' and click 'y'.



The same concept applied to the NMOS, the PWell and the P-Well-Node.

In the Op_Amp library, draw the schematic and icon: (Use the bias_circuit icon in your Op Amp circuit).



Create the layout of the Op Amp (drag the bias_circuit layout into your Op Amp layout). Make sure you have ZERO DRC/NCC/ERC errors. Copy the screenshot of the message window which has the DRC and LVS clean messages for credit.




Video 4: Wrap Up the Chip Layout:



Now let's add the 10 pF capacitor to your layout:


Create a layout view of the capacitor. The total area of the capacitor should be 130,000 by scale. So measure the distance between the vdd rail and the gnd rail before you the length of the material is determined.

Start with P2 material. Grab a poly-2 pin and change the dimenion to your desired dimension but a little bit longer (to fit the metal 1 - poly 2 contact to it). Then select the pin and press 'c' to change it into a poly-2 node:



Don't forget to add the poly - metal 1 contacts to the poly layers. Use the ruler to double check if the dimension of the overlapped area is the one you expected.



DRC and LVS the schematic and the layout, make sure they match.

Go to your Op Amp layout view, move the last stage to the right to fit the capacitor in between. Connect all the circuits. (In the video, I added the capacitor the end of the Op Amp. Either way works).



Drag the schematic of the capacitor into the schematic of your Op Amp:



!!! Make sure you DRC and LVS your circuits after every step before you move on, otherwise, you will find hundreds of errors in your final circuit.

Now, put three copies of the Op Amp and three copies of the inverters into your pad frame: (This is the old padframe which does not have ESD protections).



Complete the schematic of the chip: (This is also for the old design. The new one is demonstrated in the video. You can do either one for your project but the new one is recommended).



Again, DRC/LVS your final design for credit.


If you followed the tutorial in the video, your final chip layout looks like this:



Your schematic looks like this:



Requirements for the final report:
1. Have the DC operating point simulation data organized in a table. Show the correct resistor value that can make all the transistors in saturation region.
2. Show the open-loop gain of the Op Amp.
3. Show the schematic and layout view of every component and the final chip view.
4. Show the DRC and LVS clean (screen shot for the final chip.