ENGR338 Spring 2021
Course Project
Scott Orban
SJOrban@fortlewis.edu
Introduction
The purpose of this project was to build and simulate an 8-bit SAR ADC.
Materials and Methods
LTspice was used to create and simulate the curcuit.
Results
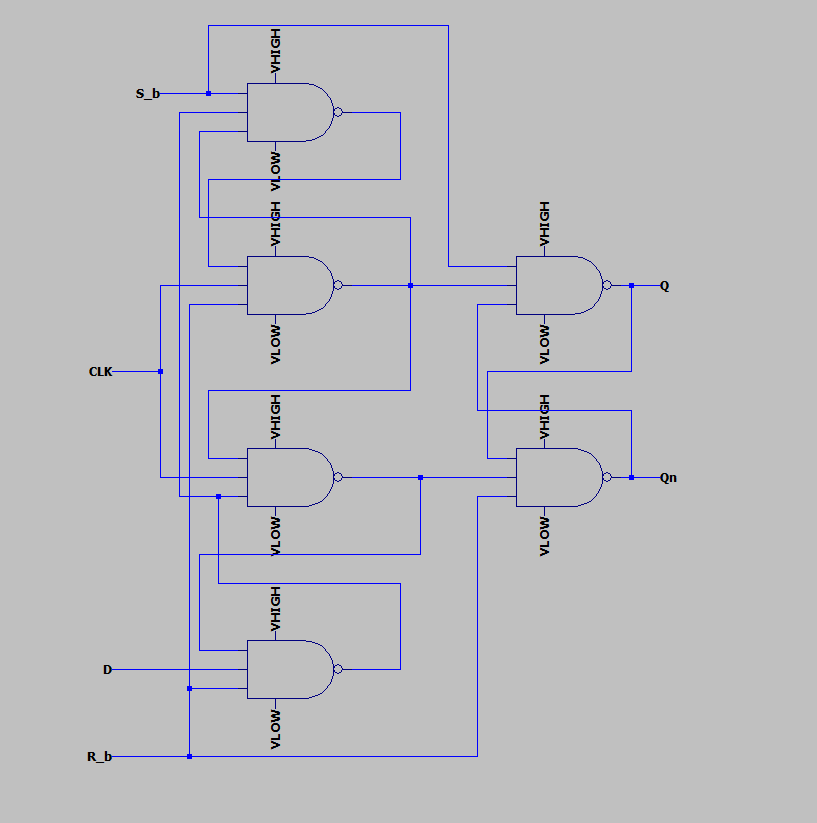
Figure 1: Schematic of the 3-input
NAND gate used in the DFF.

Figure 2: Simulation of the NAND gate showing when any of the inputs
are low the output is high.

Figure 3: Simulation of the NAND gate
showing when all of
the inputs are high the output is low.
Discussion
The simulation results matched the expected behavior of each circuit.