CE351 Lab 2023 Spring
Lab 3 - LCDs, Sensors, and Actuators
Name:
Simon Gorman
Email: sbgorman@fortlewis.edu

1. LCDs, Sensors, and Actuators

2. Introduction
We were tasked with using an LCD as a display, use temperature, humidity, ultrasonic, remote sensors, and motors as actuators.

3. Materials and Methods

Materials Quantity
Arduino Elegoo Uno R3
1
Breadboard 1
Jumper wires 16-20
LCD1602 display
1
Pushbutton 1
10k resistor
1
220 resistor
2
16 MHz Oscillator
1
LEDs (any color)
2
Thermistor (thermal resistor)
1
DHT11 sensor
1
TMP36 sensor
1
IR receiver module
1
Potentiometer 1
IR remote
1
4-digit seven-segment display (SSD)
1


Wired up the Arduino Uno Elegoo R3 to the LCD1602, like this:
Fritzing diagram of Arduino Uno R3 to LCD display
Figure 01: Wiring diagram of the Arduino Uno Elegoo R3, potentiometer, and LCD1602

Initial testing of the LCD1602 by printing 'hello world!' using the Arduino code (see Fig. 02) onto the LCD display (see Fig. 03):

// include the library code:
#include <LiquidCrystal.h>

// initialize the library with the numbers of the interface pins
LiquidCrystal lcd(7, 8, 9, 10, 11, 12);

// Task 1 - Display "Hello, World!" starting from the second
// rectangle on the same line
void setup() {
 // set up the LCD's number of columns and rows:
 lcd.begin(16, 2);
 // Print a message to the LCD.
 lcd.print(" Hello, World!");  // added a space before the "H"
}

void loop() {
 // set the cursor to column 0, line 1
 // (note: line 1 is the second row, since counting begins with 0):
 lcd.setCursor(0, 1);
 // print the number of seconds since reset:
 lcd.print(millis() / 1000);
}

Figure 02: Original Arduino coding for initial testing of the LCD1602 display

initial testing of the LCD1602
10k
Figure 03: LCD1602 displaying 'hello world!' with original code

Task 1
LCD - Display 'Hello World" on the second rectangle
Display the 'Hello World!' starting from the second rectangle on the same line

Arduino code for shifting the 'hello world!' two positions to the right (see Fig. 04):

// include the library code:
#include <LiquidCrystal.h>

// initialize the library with the numbers of the interface pins
LiquidCrystal lcd(7, 8, 9, 10, 11, 12);

// Task 1 - Display "Hello, World!" starting from the second rectangle
// on the same line

void setup() {
 // set up the LCD's number of columns and rows:
 lcd.begin(16, 2);
 // Print a message to the LCD.
 lcd.print(" Hello, World!"); // added a space before the "H"
}

void loop() {
// set the cursor to column 0, line 1
// (note: line 1 is the second row, since counting begins with 0):
lcd.setCursor(0, 1);
// print the number of seconds since reset:
lcd.print(millis() / 1000);
}

Figure 04: Arduino code to shift the phrase 'hello world!' two positions to the right.

The 'hello world!' displayed on the LCD (see Fig. 05):

Task 1 - image of Arduino wired to LCD display
Figure 05: Displaying 'hello world!' on the LCD1602

Task 2
LCD - Count to 5 then reset to 0
Count to 5 and then reset to 0, then start over

Used the following Arduino code to reset the counter to zero for every 5th second:
// include the library code:
#include <LiquidCrystal.h>

// initialize the library with the numbers of the interface pins
LiquidCrystal lcd(7, 8, 9, 10, 11, 12);

void setup() {
 // set up the LCD's number of columns and rows:
 lcd.begin(16, 2);
 // Print a message to the LCD.
 lcd.print("Hello, World!"); // added a space before the "H"
}

// Task 2 - Count to 5 and then reset to 0, then start over
void loop() {
  for (int cnt = 0; cnt <= 5; cnt++){
  lcd.setCursor(0, 1);
  lcd.print(cnt);
  delay(1000);
  }
}

Figure 06: Arduino code to reset counter


Video 01: Youtube video of the LCD count going to 5 then resetting to 0

Task 3 LCD - Scrolling Text
Given that the command 'lcd.clear()' will clear out everything on the LCD, I modified the following code so it could scroll 'Durango' on the bottom row of the LCD to the right, flash 'Durango' 3 times in the center, then scroll off screen to the right and start all over:


// include the library code:
#include <LiquidCrystal.h>

// initialize the library with the numbers of the interface pins
LiquidCrystal lcd(7, 8, 9, 10, 11, 12);
 
void setup() {
 // set up the LCD's number of columns and rows:
 lcd.begin(16, 2);
}

// Task 3 - scroll to the right, flash 'Durango' 3 times in the center,
// scroll to the right off screen, then start all over
void loop() {
 // scroll 4 positions to the right to center 'Durango'
for (int positionCounter = 0; positionCounter < 4; positionCounter++)
{
   // scroll one position right:
   lcd.setCursor(0,1);
   lcd.print("Durango");
   lcd.scrollDisplayRight();
   // wait a bit:
   delay(100);
   }
 // Flashed 'Durango' 3 times
for(int count=0; count<3; count++
{
   // Turn off the display:
   lcd.noDisplay();
   delay(400);
   // Turn on the display:
   lcd.display();
   delay(400);
   }
 // Scrolled 'Durango' 15 positions offscreen to the right
for (int positionCounter = 0; positionCounter <= 15; positionCounter++)
{
   // scroll one position right:
   lcd.scrollDisplayRight();
   //lcd.scrollDisplayRight();
   // wait a bit:
   delay(100);
   }
}
Figure 07: Arduino code to scroll 'Durango' on the LCD


Video 02: Youtube video of my scrolling text


Task 4 Thermistor Sensor
Show room temperature on the LCD. Use your finger to warm it up see if it changes.

I used the following diagram for wiring my Arduino, thermistor, and 10k resistor:

Arduino and Thermistor wiring diagram
Figure 08: Arduino wiring to the thermistor

I used the following code to have the thermistor temperature readings be displayed on the LCD:
// include the library code:
#include <LiquidCrystal.h>

int tempPin =0; // Task 4

// initialize the library with the numbers of the interface pins
LiquidCrystal lcd(7, 8, 9, 10, 11, 12);

void setup() {
 // set up the LCD's number of columns and rows:
 lcd.begin(16, 2);
}

// Use a Thermistor to measure the temperature
void loop(){
 int tempReading = analogRead(tempPin);
 double tempK = log(10000.0 * ((1024.0 / tempReading - 1)));
 tempK = 1 / (0.001129148 + (0.000234125 + (0.0000000876741 * tempK * tempK )) * tempK );
 float tempC = tempK - 273.15; // Convert Kelvin to Celsius
 float tempF = (tempC * 9.0)/ 5.0 + 32.0; // Convert Celsius to Fahrenheit
 lcd.setCursor(0,0);
 lcd.print("Temp         C");
 // Display Temperature in F
 // lcd.print("Temp         F");
 lcd.setCursor(6,0);
 // Display Temperature in C
 lcd.print(tempC);
 // Display Temperature in F
 // lcd.print(tempF);
 delay(500);

Figure 09: Arduino code of reading room temperature with a thermistor to an LCD


Video 03: Youtube video of LCD printing room temperature

Task 5 DHT sensor

Modify the code to display in the form below. Simply blow at the sensor to change the temperature and the humidity to test it. Show a demonstration video in your report.

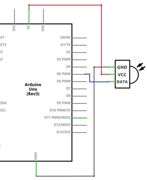
I removed the thermistor then wired the
DHT sensor to my Arduino and LCD by using the following wiring diagrams:
extra wiring for LCD
Figure 10: Simplified diagram DHT sensor wiring to the Arduino board

wiring DHT to Arduino
Figure 11: Realistic diagram of DHT sensor wiring to the Arduino board

I used the following code to read from the DHT sensor and display the readings on the LCD:


// To read humidity
// include the library code:
#include <LiquidCrystal.h>
#include <SimpleDHT.h>

// initialize the library with the numbers of the interface pins
LiquidCrystal lcd(7, 8, 9, 10, 11, 12);

// for DHT11,
// VCC: 5V or 3V
// GND: GND
// DATA: 2
int pinDHT11 = 2;
SimpleDHT11 dht11;

void setup() {
 // set up the LCD's number of columns and rows:
 lcd.begin(16, 2);
}

// Use a DHT sensor to measure the temperature
// and humidity
void loop(){
 lcd.setCursor(0,0);
 byte temperature = 0;
 byte humidity = 0;
 byte data[40] = {0};
 dht11.read(pinDHT11, &temperature, &humidity, data);
 lcd.print((int)temperature); lcd.print("  *C, ");
 lcd.print((int)humidity); lcd.print(" %");
 // DHT11 sampling rate is 0.5Hz.
 delay(2000);
}

Figure 12: Arduino code to read humidity

I modified the code from Fig. 11 to display the room temperature and humidity on the LCD:
// include the library code:
#include <LiquidCrystal.h>
#include <SimpleDHT.h>

// initialize the library with the numbers of the interface pins
LiquidCrystal lcd(7, 8, 9, 10, 11, 12);

// for DHT11,
// VCC: 5V or 3V
// GND: GND
// DATA: 2
int pinDHT11 = 2;
SimpleDHT11 dht11;

void setup() {
 // set up the LCD's number of columns and rows:
 lcd.begin(16, 2);
 lcd.print("Temp     C");
}

// Use a DHT sensor to measure the temperature
// and humidity
void loop(){
 byte temperature = 0;
 byte humidity = 0;
 byte data[40] = {0};
 dht11.read(pinDHT11, &temperature, &humidity, data);
 
 lcd.setCursor(6,0);
 lcd.print((int)temperature);
 
 lcd.setCursor(0,1);
 lcd.print("Humidity   ");
 lcd.print((int)humidity); lcd.print(" %");
 // DHT11 sampling rate is 0.5Hz.
 delay(2000);
}

Figure 13: Arduino code for reading humidity and temperature from the DHT sensor


Video 04: Youtube video of displaying temp and humidity on the LCD

Task 6 cancelled - don't have to do this task


Task 7
IR Remote and Sensor
Used the following diagram to wire the IR sensor to the Arduino Uno (see Fig. 14)
Simplified Wiring Diagram - IR Module
Figure 14: Simplified wiring diagram of the IR module connected to the Arduino Uno R3


Modified the following code (see Fig. 15) to match the new IR remote (see Fig. 17) controller's commands (see Fig. 16):

#include <IRremote.h>
#include <LiquidCrystal.h>
//                BS  E  D4 D5  D6 D7
LiquidCrystal lcd(7, 8, 9, 10, 11, 12);
int receiver = 5; // Signal Pin of IR receiver to Arduino Digital Pin 5
IRrecv irrecv(receiver);     // create instance of 'irrecv'
decode_results results;      // create instance of 'decode_results'
void translateIR() // takes action based on IR code received
{
 switch(results.value)
 {
 case 0xFFA25D: lcd.print("POWER         "); break;
 case 0xFFE21D: lcd.print("FUNC/STOP     "); break;
 case 0xFF629D: lcd.print("VOL+          "); break;
 case 0xFF22DD: lcd.print("FAST BACK     ");  break;
 case 0xFF02FD: lcd.print("PAUSE         ");  break;
 case 0xFFC23D: lcd.print("FAST FORWARD  ");  break;
 case 0xFFE01F: lcd.print("DOWN          ");  break;
 case 0xFFA857: lcd.print("VOL-          ");  break;
 case 0xFF906F: lcd.print("UP            ");   break;
 case 0xFF9867: lcd.print("EQ            ");  break;
 case 0xFFB04F: lcd.print("ST/REPT       ");   break;
 case 0xFF6897: lcd.print("0             ");    break;
 case 0xFF30CF: lcd.print("1             ");    break;
 case 0xFF18E7: lcd.print("2             ");    break;
 case 0xFF7A85: lcd.print("3             ");    break;
 case 0xFF10EF: lcd.print("4             ");    break;
 case 0xFF38C7: lcd.print("5             ");    break;
 case 0xFF5AA5: lcd.print("6             ");    break;
 case 0xFF42BD: lcd.print("7             ");    break;
 case 0xFF4AB5: lcd.print("8             ");    break;
 case 0xFF52AD: lcd.print("9             ");    break;
 case 0xFFFFFFFF: lcd.print("REPEAT      ");break;  
 default:
 lcd.print("INVALID          ");
 }
 delay(500); // Do not get immediate repeat
} //END translateIR
void setup()
{
 lcd.begin(16,2);
 irrecv.enableIRIn(); // Start the receiver
}
void loop()  
{
 if (irrecv.decode(&results)) // have we received an IR signal?
 {
   lcd.setCursor(0,0);
   lcd.print(results.value);
   lcd.setCursor(0,1);
   translateIR();
   irrecv.resume(); // receive the next value
 }  
}

Figure 15: Original Arduino code for the IR contoller

//Task 7 - IR receiver
#include <IRremote.h>
#include <LiquidCrystal.h>
//                BS  E  D4 D5  D6 D7
LiquidCrystal lcd(7, 8, 9, 10, 11, 12);
int receiver = 5; // Signal Pin of IR receiver to Arduino Digital Pin 5
IRrecv irrecv(receiver);     // create instance of 'irrecv'
decode_results results;      // create instance of 'decode_results'
void translateIR() // takes action based on IR code received
{
 switch(results.value)
 {
 case 0xFF42BD: lcd.print("*             "); break;
 case 0xFF52AD: lcd.print("#             "); break;
 case 0xFF629D: lcd.print("UP            "); break;
 case 0xFF22DD: lcd.print("LEFT          ");  break;
 case 0xFF02FD: lcd.print("OK            ");  break;
 case 0xFFC23D: lcd.print("RIGHT         ");  break;
 case 0xFFA857: lcd.print("DOWN          ");  break;
 case 0xFF4AB5: lcd.print("0             ");   break;
 case 0xFF6897: lcd.print("1             ");    break;
 case 0xFF9867: lcd.print("2             ");    break;
 case 0xFFB04F: lcd.print("3             ");    break;
 case 0xFF30CF: lcd.print("4             ");    break;
 case 0xFF18E7: lcd.print("5             ");    break;
 case 0xFF7A85: lcd.print("6             ");    break;
 case 0xFF10EF: lcd.print("7             ");    break;
 case 0xFF38C7: lcd.print("8             ");    break;
 case 0xFF5AA5: lcd.print("9             ");    break;
 case 0xFFFFFFFF: lcd.print("REPEAT      ");break;  
 default:
 lcd.print("INVALID          ");
 }
 delay(500); // Do not get immediate repeat
} //END translateIR
void setup()
{
 lcd.begin(16,2);
 irrecv.enableIRIn(); // Start the receiver
}
void loop()  
{
 if (irrecv.decode(&results)) // have we received an IR signal?
 {
   lcd.setCursor(0,0);
   lcd.print(results.value);
   lcd.setCursor(0,1);
   translateIR();
   irrecv.resume(); // receive the next value
 }  
}
Figure 16: Modified code to match the new IR remote

Elegoo IR remote
Figure 17: Coded to match this Elegoo IR remote

Re-mapped the IR remote controller Arduino code by converting each decimal value into hex so the IR remote commands matched the Arduino code (see Fig. 18).
Convert from DEC to HEX
Figure 18: Used the Windows Calculator's Programmer feature to convert from DEC to HEX

If the number printed to the LCD suddenly becomes longer after printing 'REPEAT', in my case it added "95" to the end of the decimal number (see Fig. 19), reboot the Arduino Uno so it can print the correct decimal number (see Fig. 20).
After printing REPEAT
Figure 19: Extra numbers added to the decimal value

Without printing REPEAT
Figure 20: After powering the Arduino Uno on/off and it prints the correct decimal value

Task 8
The Barebone ATmega328p
I (very carefully) removed the ATmega328p from the Arduino Uno then wired the ATmega328p to the breadboard and Arduino Uno like this (see Fig. 00):

Barebone ATmega328p with pushbutton
Figure 21: ATmega328p wiring diagram with the pushbutton as the Reset

Used the following code to test the Barebone ATmega32p:

// the setup function runs once when you press reset or power the board
void setup() {
 // initialize digital pin LED_BUILTIN as an output.
 pinMode(12, OUTPUT);
}

// the loop function runs over and over again forever
void loop() {
 digitalWrite(12, HIGH);   // turn the LED on (HIGH is the voltage level)
 delay(250);                       // wait for a second
 digitalWrite(12, LOW);    // turn the LED off by making the voltage LOW
 delay(250);                       // wait for a second
}

Figure 22: Blink Example with LED_BUILTIN as pin 12 on the ATmega32p

I did one test where the Reset of the ATmega328p was directly connected the Reset pin on the Arduino board (see Video 05) and another test where the ATmega328p's Reset pin was wired to a pushbutton (see Video 06):


Video 05: ATmega328p wired directly to the Arduino Uno's Reset pin


Video 06: ATmega328p wired to a pushbutton with a 10k pull-up resistor

Task 9
The Interrupts
Used the barebone ATMega328p to build a portable digital temperature meter. Used an Interrupt Service Routine to update the temperature display. The temperature/humidity sensor is the DHT11, the display unit is the 4-digit 7-segment display.
 
4. Results
[]


5. Discussion
[]