ENGR338 Lab 2021 Spring
Project
Name:
Nicolas Llarena
Email: Njllarenaarias@fortlewis.edu

1. Project -
Design an 8-bit SAR ADC
2. Introduction
This is the final course project for ENGR 338 (Digital Electronics). The project consists of creating and simulationg all the pieces of an 8-bit SAR ADC using 50nm technology. Everything will be done and documented from the lowest level using transistors to the final symbol of the SAR using LTSpice. This will give us a better understanding on how it is built and how it works.
3. Materials
Materials Quantity
LTSpice Software
1
Calculator
1

4. Results

NAND Gate Simulation



       Figure 1.  3-input NAND gate schematic using 50nm transistors.
         
               
Figure 2. Simulating the 3-input NAND gate symbol with all inpputs as 1 to verify the output is 0.

             
Figure 3. Simulating the 3-input NAND gate symbol with two inputs as 1 and one input as 0 to verify the output is 1.

D Flip Flop Simulation


                 
Figure 4. Shematic view of the TI D flip-Flop using NAND gates.



           
Figure 5. Symbol simulation of the D Flip-Flop created in figure 4. Simulation shows the information is sent to Q depending on the rising edge of the clock.

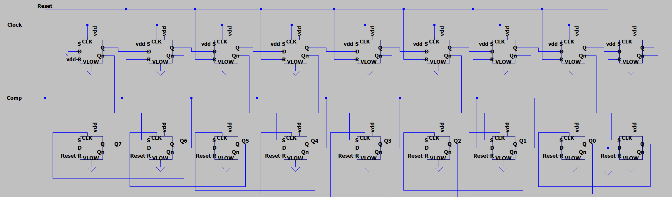
SAR Simulation     

                 Figure 6. Schematic view of the 8-bit SAR  by using D Flip-Flop symbols.


              Figure 7. The last simulation of the 8-bit SAR using a symbol specifically for the component. Inputs and outputs are clearly shown to verify everything is working correctly.




Discussion
The course project was fun and unlike using Electric VLSI, LTSpice has less bugs for me which is a plus. I enjoyed doing this lab since I learned most of the steps that come with building an SAR ADC. It would be fun in the future to do more simulations with LTSpice that may be more challenging and bigger. Overall, I believe I have learned a lot in this course. I always enjoy building, designing, and simulating shematics. Even though we didn't do any of the physical layouts for obvious reasons, I enjoyed the process.