Lab 3
CE 351
James Ferguson

Introduction

The goal of this lab is to become more familiar with Electric VLSI and create the schematic and layout for a 10-bit R 2R DAC using C5 technology.

Methods

The began with creating a schematic for a R 2R subsection using 10k n-well resistors with a width of 15 and a length of 187.5.

r_to_r_subcell schematic

DRC error checking found nothing.

r_to_r_subcell schematic DRC

A layout was then created for the subsection.

r_to_r_subcell layout

DCR, ERC and NCC where all run for the layout and returned the following.

r_to_r_subcell layout DRC

r_to_r_subcell layout ERC

r_to_r_subcell layout NCC

The 10-bit DAC schematic was then created using the R 2R subsections

r_to_r_dac_10_bit schematic

DRC error checking found nothing.

r_to_r_dac_10_bit schematic DRC

Again, the schematic was converted into a layout.

r_to_r_dac_10_bit layout

DRC, ERC and NCC where also run for the 10-bit DAC layout and also returned nothing.

r_to_r_dac_10_bit layout DRC

r_to_r_dac_10_bit layout DRC

r_to_r_dac_10_bit layout DRC

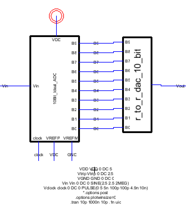
The 10-bit DAC was then connected to an ideal ADC and a AC power source to evaluate the DAC's performance. This was then simulated with LTspice.

Simulation schematic

Results

The following shows the results of the simulation.

Simulation results

Discussion

The simulation produced expected results, specifically in regards to how the output follows the input signal in discrete steps.