CE 338 Lab 2023 Fall
Lab # Design a Simple 8-Bit ALU
Name: Vann Montoya
Email: bvmontoya@fortlewis.edu
Design a Simple 8-Bit ALU
Introduction
The purpose of this lab is to build a simple 8-bit ALU in Electric VSLI.
Materials and Methods
ElectricVSLI
Results
Task
1: Design the logic circuit of the ALU. (40 points)
Here is a simple schematic of the ALU
that we are going to try and recreate:

Figure 1: Simple 8-Bit ALU Schematic.
From previous labs, we already have an 8-Bit: AND, OR, MUX, and Full
Adder logic blocks created, we just need to create an 8-Bit Inverter.

Figure 2: 8-Bit Inverter and Icon with no Errors.
Now to make the layout for the 8-Bit Inverter:

Figure 3: 8-Bit Inverter Layout with no Errors.
Time to tackle the 8-Bit ALU with all the Logic Blocks:

Figure 4: Simple 8-Bit ALU Schematic with no Errors.
Lastly for this portion, we need to run a handful of simulations to ensure it is working correctly.
First, we want to check the AND gate function by setting S1 and S0 = 0.
So with 1111 1111 ANDed with 0000 0000 should result in all 0's for the output:

Figure 5: Simple 8-Bit ALU AND function and simulation results.
Now to check the OR gate function by setting S1 = 0 and S0 = 1.
We'll be using 1111 1111 ORed with 0000 0000 which should result in all 1's for the output:

Figure 6: Simple 8-Bit ALU OR function and simulation results.
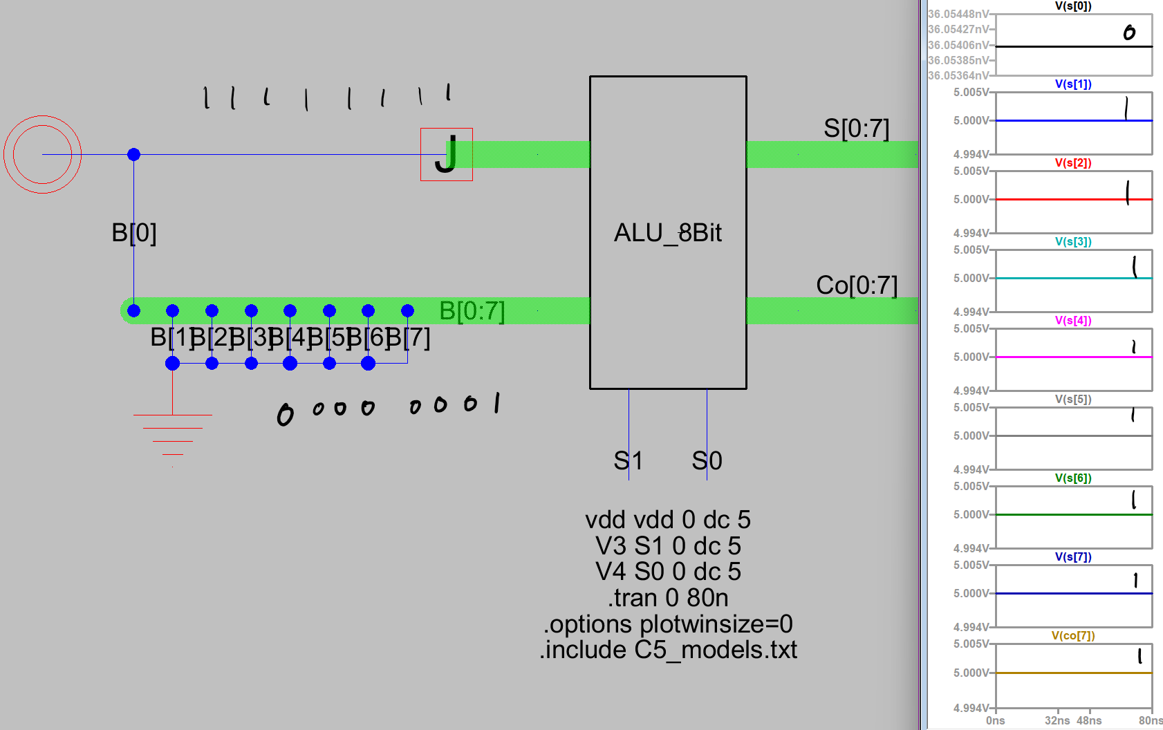
Next is to check the Add function by setting S1 = 1 and S0 = 0.
To test this, we'll add 1111 1111 and 0000 0001:

Figure 7: Simple 8-Bit ALU ADD function and simulation results.
However, I cannot get this to work correctly which is strange considering everything else works even the Subtraction function.q
Lastly, we'll test the Subtraction function by setting S1 and S0 = 1.
To test, we'll subtract 1111 1111 and 0000 0001 which should result in 1111 1111 - 0000 0001 = 1111 1110:

Figure 8: Simple 8-Bit ALU Subtraction function and simulation results.
Task
2: Finish the layout of the ALU (50 points)
Time to tackle the layout. Using the schematic as a reference, I created the layout:

Figure 9: 8-Bit Simple ALU Layout with no Errors.
Discussion
This lab was a fun one. It took all that we learned through the semester and placed it into one large project.
While time consuming, it was fairly straightforward and satisfying to see no errors on the layout.