CE351 Lab 2020 Fall
Lab 1
Name:
Braden Morrow
Email: bdmorrow@fortlewis.edu

1. Lab 1 - Power Supply Circuit for MCUs

2. Introduction
The purpose of this lab was to design a functional Power Supply Board for future use with MCUs. We will be using Eagle PCB to design this board, and TI's Instrument Calculator to help pick components for the circuit. This lab gives us the basics of Eagle CB and how to design our own boards in the future.

3. Materials and Methods
In this lab we used TI's Instrument Calculator to find components and Eagle PCB to design the board using the standard work flow.

The first section of this report had us making custom device's in Eagle PCB. First we needed to create the custom library shown in Figure 1 to house our devices.

Figure 1. Custom Library Inside of Eagle PCB

We then had to create these devices. The following figures show most of the custom devices that were created. The rest of the devices used the same footprint or symbol as others and aren't included to avoid repitition.


Figure 2. 47UH Inductor Custom Device


Figure 3. LM2596 Custom Device


Figure 4. 4.7UF Capacitor Custom Device


Figure 5. SS34 Schottky Diode Custom Device

The next step was to create the final schematic which are shown in the figures below.


Figure 6. 5V and 3.3V at 1A Converter

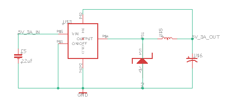
Figure 7. 5V at 3A Converter

Figure 8. 3.3V at 3A Converter

Figure 9. User Controlled Pinouts

The last step in Eagle PCB was to layout all of the devices on the board and route the wires to avoid any DRC check errors. For this device we used 40mil thick traces to handle the 3A of current being supplied.

4. Results
After finalizing the routes, our board looks like this


Figure 10. Finalized Board with Drawn Traces

The final step was to check our board on an online PCB viewer. The most important step here being checking the silkscreen to ensure our labels are placed correctly as shown in Figure 11.



Figure 11. Finalized Board with silkscreen and copper pad layers shown

5. Discussion
The soldered board is shown powered through the barrel jack in Figure 12.


Figure 12. Soldered board powered via 12V barrel jack

The voltage output from the 5V @ 1A and 3.3V @ 1A are shown in Figure 13.


Figure 13. Voltage output of 1A pins

The voltage output from the 5V @ 3A is shown in Figure 14.


Figure 13. Voltage output of 5V @ 3A pin

The 3.3V @ 3A pin didnt work on my board, probably because of a loose or bridged solder joint.
This lab was a great introduction to Eagle PCB and the other designated tools we used. Using this tutorial we were able to create our first custom PCB and finalize it for production. This lab will also help supplement future labs as we will now have a custom designed power supply board to work with.