ENGR337 Lab 2020 Spring
Lab 10 xxxxxx
Name:
Orion Clay
Email: oeclay@fortlewis.edu

1.
Op Amp IC with ESD Protection Completion (Final Project)

2. In this lab, students completed the final design for their analog integrated circuits with ESD protection. This lab served as the culmination for student learning within the lab portion of the class and a final demonstration of the concepts of analog circuit design practiced in ElectricVLSI. This covered the information found in Tutorial 5 and was the final lab completed for the semester. A completed Op Amp was designed and placed in the ESD pad frame constructed by students in Tutorial 4. A capacitor was also completed and wired to the Op Amp. The inverter designed by students earlier on in the semester was also incorperated into this final project.  

 
3. Materials
LTSpice software (for simulation) ElectricVLSI Software
Java  (for running ElectricVLSI)

Methods
Students began the lab by designing the final Op Amp in LTSpice. Students simulated the open loop gain for the Op Amp and demtermined the resistance a resistor within the Op Amp had to hold in order to keep all DC operating points within their saturation regions. Students captured screenshots of the open loop gain. ElectricVLSI was then opened and students followed an instructional video posted by Dr. Li describing how to design the biasing circuit required for the Op Amp design. Students created three PMOS and three NMOS MOSFET's and wired them according to the design described in the video. The MOSFET's were properly sized and wired to their required N or P wells. A layout, schematic, and icon were created of the biasing circuit and students conducted DRC and NCC checks to ensure the design was correct. The gain stage and differential pairs of the Op Amp were designed in a second instructional video. Students had to create large NMOS and PMOS MOSFET's by stacking smaller ones on top of each other. These MOSFET's were wired together to create the larger ones needed for the Op Amp. Upon completion, they were wired to the ground and vdd terminals. The pins were wired to the ports needed for completing the final circuit. Metal one and two wires were used to ensure the design did not conflict with itself.  Another round of DRC and NCC checks were compeleted to make sure this time consuming part of the lab was completed correctly.
After the circuit proved correct the biasing circuit was connected to the differential pairs and gain stage of the Op Amp. Students then followed along with the third and final video posted by Dr. Li and constructed a 10 pF capcitor for use with the Op Amp. The capacitor had to have an area of 130,000 relative to the pad frame. Once the capacitor was completed, it was wired to the Op Amp. Pins 36 through 5 were exported on the ESD pad frame for use in wiring the Op Amp and inverter. The pad frame pins were wired to both the Op Amp and inverter pins. The pad frame schematic was wired with the Op Amp and inverter icons in the same manner as the layout. The final DRC and NCC checks were conducted on the completed analog IC and the final project was finished when the checks came back correct. Screenshots of all the IC components as well as the DRC and NCC checks were captured for the final report. The completed VLSI file was saved as tutorial_5.jleb.

4. Results


Figure 1. The completed LTSpice Op Amp circuit used to simulate the open loop gain.


Figure 2. The simulated open loop gain for the Op Amp with a 200k ohm resistor used to keep the DC operating points in their saturation regions.


Figure 3. The completed ElectricVLSI schematic and icon for the biasing circuit as specified in the first video (provided by Dr. Li).


Figure 4. The completed layout for the biasing circuit as specified in the first video (provided by Dr. Li).


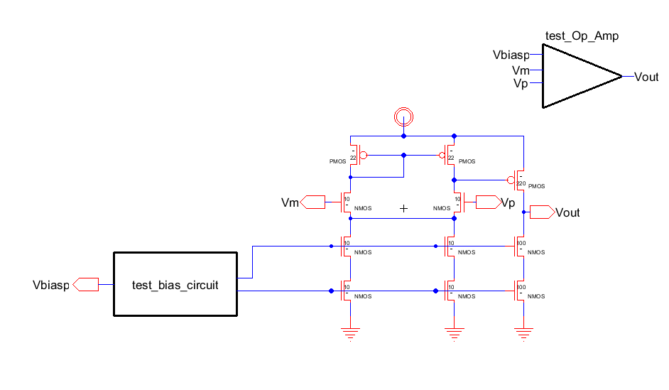
Figure 5. The completed schematic and icon for the Op Amp with biasing circuit as specified in the second video (provided by Dr. Li).


Figure 6. The completed layout for the Op Amp with biasing circuit as specified in the second video (provided by Dr. Li).


Figure 7. The completed DRC and NCC checks for the Op Amp with biasing circuit. Both checks revealed the circuit was error free.


Figure 8. The completed schematic for the 10 pF capacitor wired to the Op Amp as specified in the third video (provided by Dr. Li).


Figure 9. The completed layout for the 10 pF capacitor wired to the Op Amp as specified in the third video (provided by Dr. Li).


Figure 10. The completed schematic for the final project IC chip as specified in the third video (provided by Dr. Li).


Figure 11. The completed layout for the final project IC chip as specified in the third video (provided by Dr. Li). The Op Amp, capacitor, and inverter can all be seen.


Figure 12. The completed DRC and NCC checks  the final project IC chip as specified in the third video (provided by Dr. Li). Both checks revealed the circuit was error free.

5. Discussion
This lab was the fifth and final lab of the ElectricVLSI lab series. Tutorial Five served as the culmination of student learning for the lab portion of the class and had students demonstrate the necessary skills used in analog circuit design. Students also demonstrated the skills they learned in the ElectricVLSI program. Students incorperated all the circuit components completed in previous labs into their final project IC chips. The process proved time consuiming and painful. Numerous errors and setback were encountered and restarting protions of the lab was sometimes necessary. The NRC errors proved especially difficult to work through as they often required careful examination of the entire circuit. Exporting the pins on the ESD pad frame was very tedious as well. It is a wonder why no one has created a means for the VLSI program to perform that process automatically. Despite the setbacks and lost time, students were able to complete their circuits free of errors. The videos posted by Dr. Li were invaluable and the lab would have been almost impossible to complete without them. The experience and knowledge gained from completing an analog IC chips proved extremely valueable. The job of an analog engineer was experienced throughout these tutorials and the content taught by Dr. Li in the lectures proved both practical and useful. It was made clear why not many people choose to pursue a career in analog circuits as desiging these circuits can be difficult and tedious. However, the neccesity of the profession was also made apparent. Many technolgies used today incorpeate analog circuits and students experienced a small taste of how much time and effort must go into designing these circuits. The ElectricVLSI lab series served as an excellent way to test student learning from the entire course. The final project was both challenging and rewarding and an extremely useful experience for students moving forward in their educations and careers.