Combinational
Logic Blocks
1.
Adder
One-bit half
adder:

Vivado
simulation (including testbench)


One-bit full
adder

Vivado
simulation:


In the full
adder testbench, when there are many simulation entries, you can use a
for loop to simplify it.


2.
Comparators
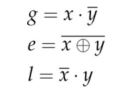
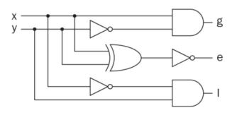
We may need to
compare the magnitude of two binary numbers to obtain
their status. Here, the first number may be greater than the second.
The two numbers may be equal. Or, the first number may be less than the
second. To achieve this goal, we will need a comparator. We can explain
the comparison operation on two binary variables x and y (each being
one bit) using the truth table presented in the following truth table.
Here, g, e, and l stand for greater, equal, and less, respectively.



In Verilog:

3.
Conditional statement in Verilog


A
4-bit comparator
An N-bit
comparator can be constructed by the 'if'
keyword.
Here, two
vectors each with four-bits (x and y) are compared and the result is
written to another vector comp. If the first vector is greater than the
second one, then comp[2]=1. If the second vector is greater than the
first one, then comp[0]=1. Finally, if the two vectors are equal, then
comp[1]=1.

Another
example of the IF Statement (not a comparator):


If I remove the
'begin/end' statement in the IF statement and keep
'B<=B+1' below the 'A<=4'h0' line, B will have an
increment of 1
at each cycle.


This example
tells you that the 'begin/end' block defines the boundary of the IF
statement if you have multiple lines there.
4.
Decoders

In Verilog,

The 'case'
statement

5.
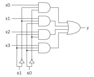
Multiplexers
A four-to-one
multiplexer

In Verilog

The 'case'
version. (an 8-1 multiplexer).

6.
Parity generators and checkers
While
transferring or storing binary data, some bit values may change
because of a physical effect or an unpredicted disturbance. To check
whether such an undesired change has occurred or not, extra bits can be
added to the data. This is called parity generation. The idea here is
setting standard characteristics to data such that when a change
occurs, it can be detected easily.
Even Parity
Generator - The total number of 1's in input and the parity bit are even
Odd Parity
Generator - The total number of 1's in input and the parity bit are odd
Even
Parity Generator (make the total number
of 1's even)
Let us assume
that a 3-bit message is to be transmitted with an even
parity bit. Let the three inputs A, B and C are applied to the circuit
and output bit is the parity bit P. The total number of 1s must be
even, to generate the even parity bit P. The figure below shows the
truth table of even parity generator in which 1
is placed as parity bit in order to make all 1s as even when the number
of 1s in the truth table is odd.

Use a K Map to
find the logic expression of the truth table:

The above
expression can be implemented by using two XOR gates. The
logic diagram of even parity generator with two XOR gates is shown
below. The three bit message along with the parity generated by this
circuit which is transmitted to the receiving end where parity checker
circuit checks whether any error is present or not.

In Verilog:

Even
Parity Checker
It is a logic circuit that checks for possible errors in the
transmission. This circuit can be an even parity checker or odd parity
checker depending on the type of parity generated at the transmission
end. When this circuit is used as even parity checker, the number of
input bits must always be even.
Even Parity
Checker Consider that three input message along with even
parity bit is generated at the transmitting end. These 4 bits are
applied as input to the parity checker circuit, which checks the
possibility of error on the data. Since the data is transmitted with
even parity, four bits received at circuit must have an even number of
1s. If any error occurs, the received message consists of odd number of
1s. The output of the parity checker is denoted by PEC (Parity Error
Check). The below table shows the truth table for the Even Parity
Checker in which PEC = 1 if the error occurs, i.e., the four bits
received have odd number of 1s and PEC = 0 if no error occurs, i.e., if
the 4-bit message has even number of 1s.



Odd
Parity Generator (make the total number
of 1's odd)
Truth table:

Logic expression:

Circuit:

Odd
Parity Checker

Logic
expression:

The circuit:

7.
Improving the home alarm system
We can improve
the home alarm system using a seven-segment display.
When the system is active, the display will show character A. When it
is closed, the display will show character O.
To do so, we
should add a seven-segment display decoder module to the
system. This module converts the provided hexadecimal number to the
corresponding seven-segment display pattern.


In which sw[4]
is just a switch to turn ON/OFF the alarm but not triggering it.
sw[3:0] are the triggering signals.
Please refer to
the last tutorial to implement the improved home alarm system on your
Basys3 Board.
8.
Improved car parking spot counting system

It is simply
adding all the bits together. The maximum count is 9 so how many bits
do you need for c[]?

You must reuse
the decoder_7seg module for this example.
--------------------
Tasks
1.
Design the testbench for the comparator in Section 2. Show the code,
code explanations, and simulation results in your report. (10 points)
2. Design the
testbench for the 4-bit comparator in Section 3. Show the
code, code explanations, and simulation results in your report. (10
points)
3. Implement a
2-bit
comparator on the Basys 3 board. Use sw as inputs and led as outputs.
Show the code, code explanations, and a link to the video demonstration
in your report. (20 points)
4. In Section 4,
design the
testbench for the decoder and verify the logic in simulation. Show the
code, code explanations, and simulation results in your report. (10
points)
5. Design/verify
an even
parity generator and checker in simulation respectively. Implement an
even parity checker on your Basys 3 board - use sw as inputs, use leds
as output indicators. Show the code, code explanations, and a link to
the video demonstration in your report. (30 points)
6. Implement the
design in Section 8 and Section 9 on your Basys 3
board. Show your code and link to the demo video in your
report. (20 points)