Power
Supply and DC Regulators on a PCB for MCUs
Rubric:
Lab Report 30%
Design File 40%
PCB Soldering and Functionality 30%
Video Tutorials (Watch these videos before you start reading the contents on this webpage)
1. Make aluminum electrolyte capacitor devices in Eagle PCB
2. Soldermask for the GND pad of LM2596
3. Make inductor devices in Eagle PCB
4. Add the Schottky diode device (SS34 SMC DO-214AB)
5. The Schematic
6. The Layout (please use 1 mm instead of 0.7 mm for the diameter of the switch's via)
Design the power module on
the PCB is the first step of the PCB design.
You must find the technical parameters of the chips/parts used on the
PCB and estimate the current/voltage needed by the system. If the power
input is 110 VAC only, you'll need to build a AC-DC converter (a
transformer) on the PCB. However, there are many commercial AC-DC
adaptors on the market. We just need to pick up a competent one which
has enough power to support the loads on the PCB to provide a DC
voltage to the board and being regulated to low voltage to supply the
MCUs.
An on-board transformer looks
like this:

A AC-DC adapter. The adapter
connected to yorr laptop is a very typical example.

In a laptop, the AC-DC
adapter's output is usually 20 VDC. There will
be a few voltage regulators on the mother board to step down the
voltage level for the high-speed IC chips. The voltage ratings of most
of the IC chips on the board are below 5 V.
Now, let's start the
development of the most commonly used DC power supplies for MCUs.
The most common voltage supplies for MCUs are 5 V and 3.3 V. We will assume that AC 110 V is available and a AC-DC
adaptor will be used to provide a relatively high DC voltage to the
PCB.
1.
1 A, 5 V and 3.3 V outputs.
2.
3 A, 5 V and 3.3 V outputs.
1. 1 A, 5
V and 3.3 V outputs.
Let's start with the DC
module you have in your box.

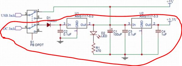
The schematic of this module.

The USB Jack and the headers
are useless for your customized MCU PCB
board. The DC Jack is the connector for your AC/DC adapter. Let's look into the individual components in this circuit.
1. D1 1N4007 is the diode to
prevent current from going into the wrong
way (backwards). Keep in mind that the diode has a 0.7 V forward
voltage drop. This module is used to step down something higher than 5V
(like 7V, 9V, and 20V) so you do not need to worry about the 0.7 V
voltage loss here. However, if you have only 5 V DC comes to the DC
Jack, you will see some loss at the output.
2. AMS 1117-5.0 is the 5V
voltage regulator. It only has three pins -
input, output, GND. AMS 1117-3.3 is the 3.3 V voltage regulator, which
has the same pinout as the 5 V one.
3. The 0.1uF, 1uF, and 100uF
capacitors are requried for the input and
output pins of this power module. These capacitors help keep the DC
voltage clean and steady. They perform like charge reserviors to
decouple any high frequency AC oscillations.
To pick up the correct
capacitors from Digi-Key, you need to look at the following key
parameters:
1. Capacitance
2. Voltage ratings
3. Footprint (package)
4. Tolerance (to be used in
the power supply modules the tolerance is not that important).
The voltage regulators are
the 1117 SOT-223 chips.
https://www.digikey.com/product-detail/en/on-semiconductor/NCP1117ST33T3G/NCP1117ST33T3GOSCT-ND/660708

and the 5V one as well:
https://www.digikey.com/product-detail/en/on-semiconductor/NCP1117ST50T3G/NCP1117ST50T3GOSCT-ND/1967217

The 0.1uF I picked up is a
Surface mount ceramic capacitor:
https://www.digikey.com/product-detail/en/kemet/C0603C104Z3VACTU/399-1100-1-ND/411375

Please note that the voltage
rating is 25 V and the package is 0603. 25
V is fine because the adapters we are going to use are <= 20 VDC.
You need to know two very
popular packages, one is 0603, one is 0805.
As a beginner, if you can buy
a PCB reference ruler, you will be able
to see the sizes of different packages printed on the ruler.
Amazon link for the ruler: https://www.amazon.com/Adafruit-PCB-Ruler-v2-6-ADA1554/dp/B00KGEMW74/ref=sr_1_1?dchild=1&keywords=pcb+ruler&qid=1590602688&sr=8-1

My favorite
resistor/capacitor packages is the 0603 one because it is
very small to save space on a PCB and in the meantime it is not too
small to pick up by your tweezer.

Datasheet
of AMS117.
The 1uF capacitor has a lower
voltage reading which is 10 V. It is used for the 3.3 V output in the
schematic. The package is 0603 SMD
https://www.digikey.com/product-detail/en/samsung-electro-mechanics/CL10A105KP8NNNC/1276-1182-1-ND/3889268

The 100 uF capacitor I have
in my drawers is an SMD/Aluminum cap.
https://www.digikey.com/product-detail/en/panasonic-electronic-components/EEE-HC1C101XP/PCE3750CT-ND/672804

How to pick up a correct
protection resistor for the LED available in your box? The LED we have is this one:


The forward voltage (Vr) is 2
V. This is the voltage drop across the diode while it is turned on. If
it is powered up by a 5V DC supply, the voltage dropped on the
protection resistor will be 5V-2V = 3V.
The current rating of the LED
is 20 mA. Normally we will use a smaller current than the current
rating. For example we want 10 mA flow through the LED and the
resistor, the protection resistor shoule be 3V/10mA = 300 ohm.
This is not critical. You can
choose anything in the range of 200 ohm - 1 kohm as long as the
brightness is acceptable.
We have the 470 ohom resistor
in stock, so let's just use the 470 ohm one.
The 470 ohm resistor. 0603
package.
https://www.digikey.com/product-detail/en/RC0603JR-07470RL/311-470GRTR-ND/726791/?itemSeq=327776216

The 1N4007 diode can be the
dip version since it is not taking too much more space than the SMD
ones and it is very inexpensive. You will notice that the current rating is
1A so this power supply design is really for something lower than 1A.
https://www.digikey.com/product-detail/en/micro-commercial-co/1N4007-TP/1N4007-TPMSCT-ND/773694

The Arduino UNO board has a
DC Barrel Power Jack Connector which receives a voltage from 6 V (the
output is 5 V and the protection diode will drop about 0.7 V) to 18 V
(AMS1117 chip can handle anything lower than 18V). Buy an AC/DC adapter
that converts 110V AC to this range, or use two of the chargable
batteries available in my lab to provide a 7.5V DC voltage to the Jack
connector.

Let's build a circuit as
follows to have it ready for our future projects with the ATMega 328p
chips.

First, open Eagle PCB and
start a new project.

Right-click the created
project and create a new schematic in it. Save
the schematic in the same folder as your project file.

If you haven't imported the
SparkFun library, follow this tutorial to import it.
http://yilectronics.com/Tutorials/Eagle_PCB/1_PCB_Basics/1_PCB_Basics.html
Add a frame to the schematic.

Add a power jack header.

Grab the 1117 Voltage
regulators:

Pick up a diode for the
1N4007 diode in the front. Open the datasheet of the 1N4007 available
in the lab, check the demensions of the parts and the demension of the
layout package in Eagle. Make sure the two metal pads have enough space
to fit the diode in.

Capacitors.
0.1 uF, two of them.

1 uF, one.

10 uF, one.

The LED as the power
indicator.

The 470 ohm resistor.

Add a ground symbol.

Connect the parts with wires
and label the 5V and 3.3V nets by Right Click - Names, change the names
as 5V and 3.3V respectively.
Like this:


Run an ERC check to make sure
there are no errors. Lots of the warnings can be ignored.

Convert it into a PCB layout
view:

Move the parts and place them
into the layout view.

Place them into the layout
view. Give some reasonable space between the parts so you are not going
to have a hard time soldering them later. Do not route the wires yet
since you will have more circuit on this board later.

2.
3 A, 5 V and 3.3 V outputs.
Watch this video to understand the difference between a Buck Converter and a Boost Converter.
https://www.youtube.com/watch?v=vwJYIorz_Aw
In this section, we are going to build two Buck Converters on the same PCB you built in the first section.
A commercial DC-DC converter using LM2596 chips are available at less than $2.
https://www.amazon.com/gp/product/B07VVXF7YX/ref=ppx_yo_dt_b_asin_title_o03_s00?ie=UTF8&psc=1

You do not need to redesign the circuit. On TI's website, the online App will create the schematic for you.
On this website: https://www.ti.com/product/LM2596
Scroll down to the middle of the webpage and use the following parameters for a 5V step down DC-DC converter.
(You need to create a TI account to retrieve the schematic).

Run the design App you will see this:

The diode is a Schottky Diode which has a smaller forward voltage loss
and a fast switching speed compared to a regular diode. Diodes have a
forward voltage drop of about 0.7 V (P=VI). Use a Schottky diode with
less voltage drop to reduce losses. Using a Schottky also helps
with switching losses, which are harder to quantify.
Go to the Bill of Materials (BOM) tag to check find the right parts to order. (The capacitors may not be available sometimes).

When you are looking for parts in DigiKey, make sure that you comply
with the voltage/current ratings of the recommended capacitors. The
voltage/current ratings should be at least 1.5X of the maximum possible
voltage/current at the node.

Here is the summary of the BOM. You can start putting the parts in your
DigiKey cart before you start drawing the PCB because the
footprint/package version of the parts may vary in DigiKey's stock.
It doesn't have to be the recommended manufacturer on the list. The voltage/ccurent ratings are the most important information.

For the 22 uF cap:
https://www.digikey.com/product-detail/en/panasonic-electronic-components/EEE-FK1J220XP/PCE3821TR-ND/765990

The 4.7 uF cap: (the 100V voltage rating is fine).
https://www.digikey.com/product-detail/en/nichicon/UUX2A4R7MCL1GS/493-6282-6-ND/3439088

The Schottky Diode:
https://www.digikey.com/product-detail/en/on-semiconductor/SS34/SS34FSCT-ND/2094459

The inductor:
https://www.digikey.com/product-detail/en/w-rth-elektronik/7447709470/732-1246-1-ND/1639307

This inductor we have doesn't exist in the existing library. Let's create it on our own.
If you do not know how to do it, please refer to this tutorial: http://yilectronics.com/Tutorials/Eagle_PCB/3_Lib/3_Lib.html

The created device in the library looks like this:

We must create a device in the library for LM2596 as well:
The datasheet is here:
http://www.ti.com/lit/ds/symlink/lm2596.pdf?HQS=TI-null-null-digikeymode-df-pf-null-wwe&ts=1590816985059
The following figure can be found in the datasheet.


The 5 pins of the chip.

For the 4.7 uF capacitor.
link to the datasheet: https://www.nichicon.co.jp/english/products/pdfs/e-uux.pdf

The SS34 Schottky diode layout:
https://components101.com/diodes/ss34-schottky-power-diode-pinout-datasheet

Pull the homemade parts to your schematic and make all the connections. (This schematic was improved afterwards. Use the one showed in the video tutorial on the top of this webpage).

Now, let's follow the similar track to create the schematic for the 3.3 V supply.

The 33 uF capacitor:
https://www.digikey.com/product-detail/en/EEE-FK1J330P/PCE3822TR-ND/765991/?itemSeq=327960383
It has the same 8.3mmX8.3mm footprint as our 4.7uF cap. We can reuse the footprint for this device in the library.

The LM2596 3.3V chip has the same footprint as the 5V one. Create the 3.3V device in the library using the same footprint.
The Schottky diode is the same one used above. It is just used for passing the current.
The output capacitor really doesn't matter that much. Let's reuse the 4.7uF cap we created previously.
The 33 uH inductor uses the same footprint as our 47uH one - 12mm x 12mm.
https://www.digikey.com/product-detail/en/w-rth-elektronik/7447709330/732-1244-1-ND/1639305

The final schematic looks like this: (This schematic was improved afterwards. Use the one showed in the video tutorial on the top of this webpage).

Let's combine these three schematics and PCB layouts to a fully functioning power module for fabrication.
I just want to keep one barrel jack power connector on the board. I'll
use a jumper wire to let the user select which power supply should be
connected to the load.

The final schematic looks like this. Please note that I moved the power indicator to the Barrel Jack connector. (This schematic was improved afterwards. Use the one showed in the video tutorial on the top of this webpage).

In the layout, do not forget to label the headers using the tPlace layer. (This layout was improved afterwards. Use the one showed in the video tutorial on the top of this webpage).

The final layout before routing looks like this: (This layout was improved afterwards. Use the one showed in the video tutorial on the top of this webpage).

After pouring the copper (ratsnet, refer to the PCB tutorial http://yilectronics.com/Tutorials/Eagle_PCB/2_SCH_BRD/2_SCH_BRD.html if you do not know how to do it). (This layout was improved afterwards. Use the one showed in the video tutorial on the top of this webpage).

Is this good enough? For a
normal digital circuit board maybe this is okay but for a power module
runs a maximum current of 3A, the traces are too narrow.
Go to Edit - Net classes to change the default trace width to 40 mil then autoroute it.
Do not forget to checkt Tools
- DRC - Check, then press Ctrl + E to look at the left bottom corner of
the page to see if there are any errors. (This layout was improved afterwards. Use the one showed in the video tutorial on the top of this webpage).

If it doesn't pass the DRC
check, you can always 'Ripup' all the wires and re-route it. Remember
to delete the 'Ratsnest' frame when you are modifying the wire
thickness. Add it back and pour the copper back again when you are
happy with the traces.

Pour copper to both the top
and the bottom side of the PCB: (select the bottom layer and drasw the
blue polygon and Ratsnest it.

Process the design to get the gerber files.

Open the CAMOutputs folder and find the Drill File. Cut it and paste it inside the GerberFiles folder.

Inside the GerberFiles folder, zip all the files into a package.

Visit PCB viwer, create an account if you don't have one.
https://onlinegerberviewer.azurewebsites.net/Viewer
Drag and drop your zip package to this filed and click Load File.

Check all the layers
especially the silkscreen_top layer to see if you have all the labels
available on your PCB. The outline of the customized library parts
should be at the 'tPlace' layer in order to show up on the PCB. 'tDocu'
doesn't work.
If you need to change the
layer from 'tDocu' to 'tPlace' for the outlines, go to the library to
change it and save it. Also, do not forget to go back to the PCB layout
view, right click the parts have been modified and select 'Replace' to
replace the existing parts with the newly modified ones in the library.
(This layout was improved afterwards. Use the one showed in the video tutorial on the top of this webpage).

Finally, follow the instruction for creating the gerber files and submitting to PCBWay for fabrication.
---------------------------------------------
Referecnes;
Switches: https://www.amazon.com/gp/product/B07BD1SPYG/ref=ppx_yo_dt_b_asin_title_o00_s00?ie=UTF8&psc=1

