ENGR 338 Spring 2021
Final Project
Name: Zane Sauer
Email: zmsauer@fortlewis.edu
Task 1:

Figure 1: 3 Input NAND Gate

Figure 2: 3 input NAND
simulation, input of 0 0 0 output of 1

Figure 3: Second simulation of 3 input NAND gate input of 110 outout of
1V

Figure 4: Final simulation of 3 input NAND gate , input of 111 output
of 0V
Task 2:

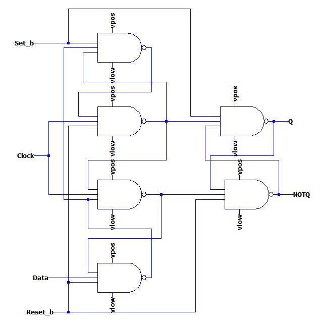
Figure 5: TI DFF

Figure 6: TI DFF simulation 1

Figure 7: TI DFF Simulation 2
Task 3:

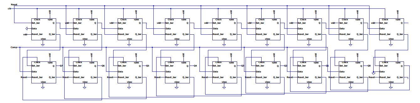
Figure 8: SAR Block

Figure 9: SAR block simulation
Conclusion
Overall this was a really nice final project, it was nice to go back to LTSpice to keep up with running this software.